amp@copartner.ru
+7 (863) 204-22-00
Оставить заявку
Главная
Участники и партнеры
Инжиниринговый центр
Оборудование
Новости
О нас
Вход
amp@copartner.ru
+7 (863) 204-22-00
Оставить заявку
Вход
Главная
Участники и партнеры
Инжиниринговый центр
Оборудование
Новости
О нас
Вход
Главная
Участники и партнеры
Инжиниринговый центр
Оборудование
Новости
О нас
Оставить заявку
amp@copartner.ru
+7 (863) 204-22-00
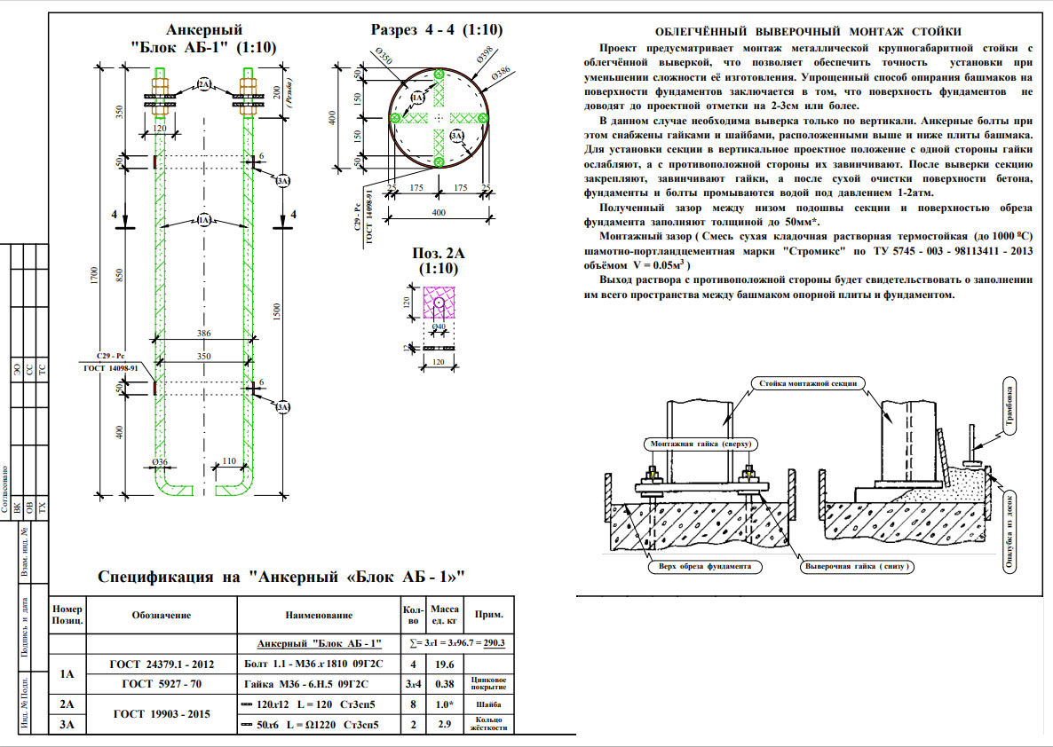
Анкерные блоки
Сборочный чертеж
Виды работ:
Токарная обработка
Количество: 3 шт.
Бюджет:
0,00 ₽
Город: Москва
Подробнее